歡迎訪問巨象吊裝官方網站!
20年專注起重機吊裝工程|一站式解決專業吊裝方案
吊裝服務熱線:
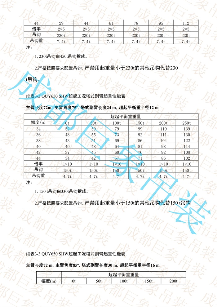
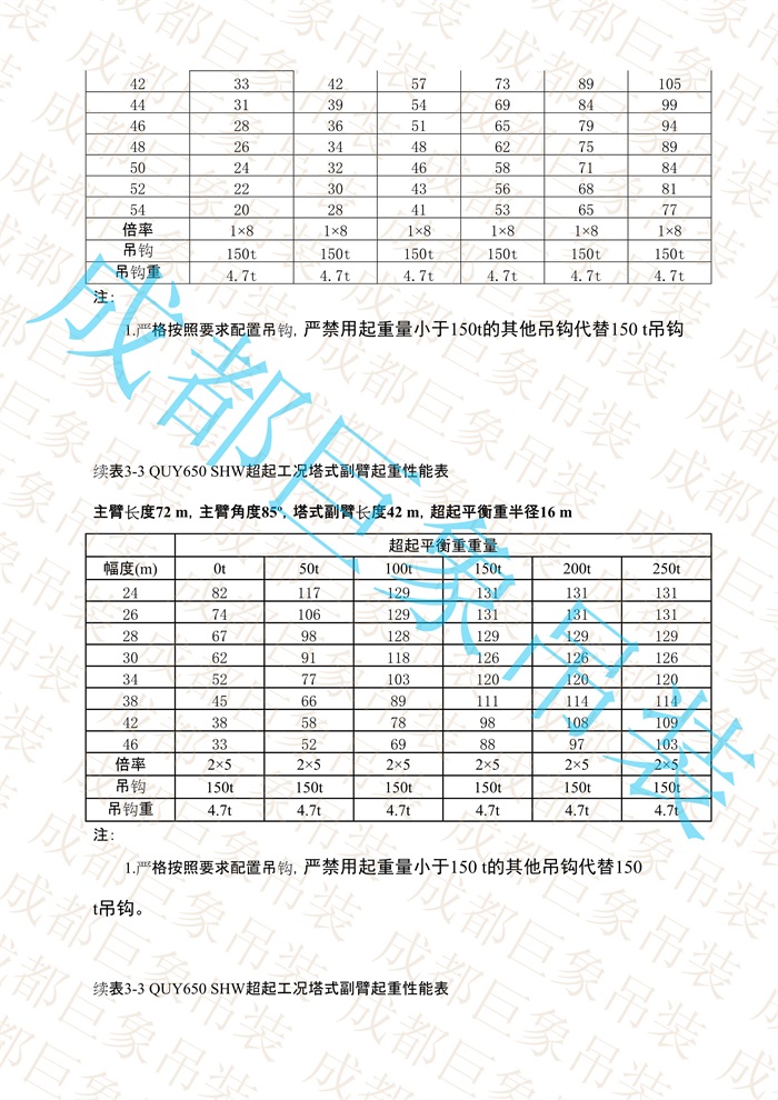
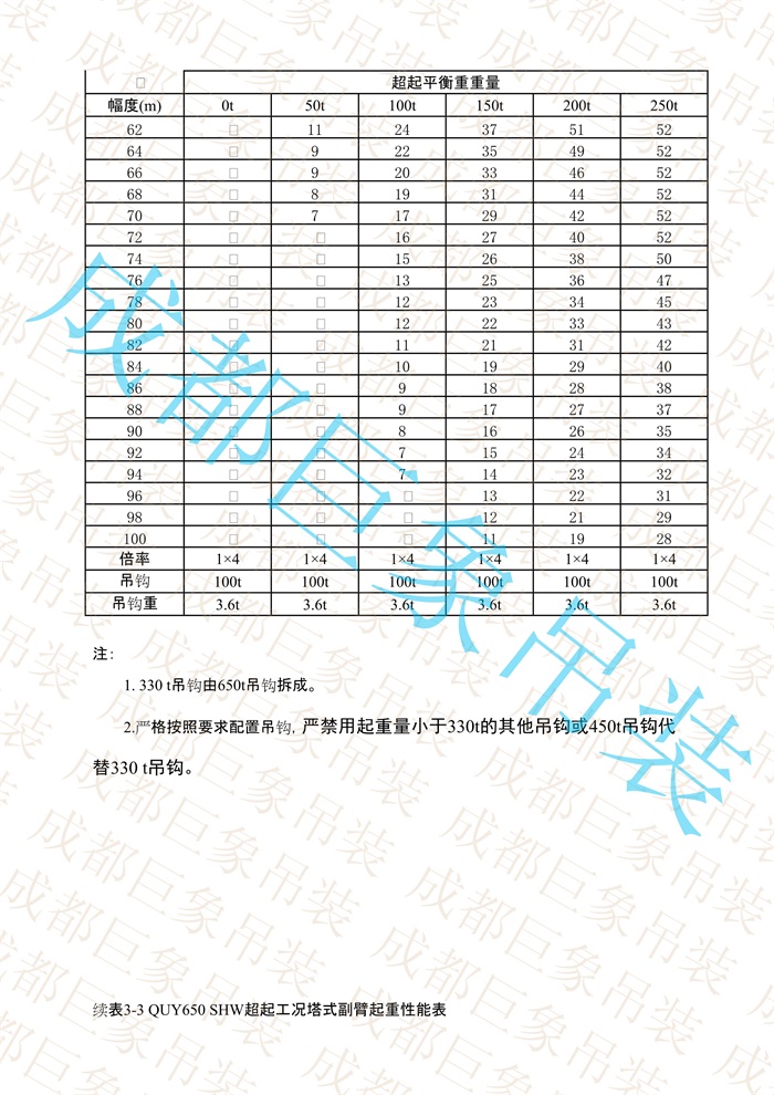
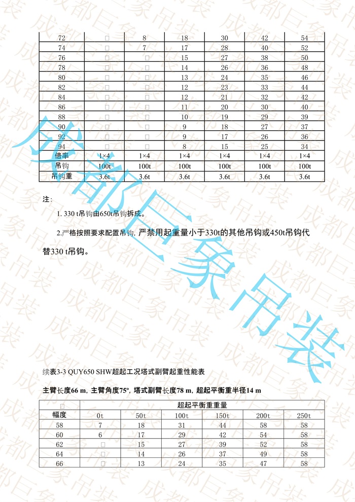
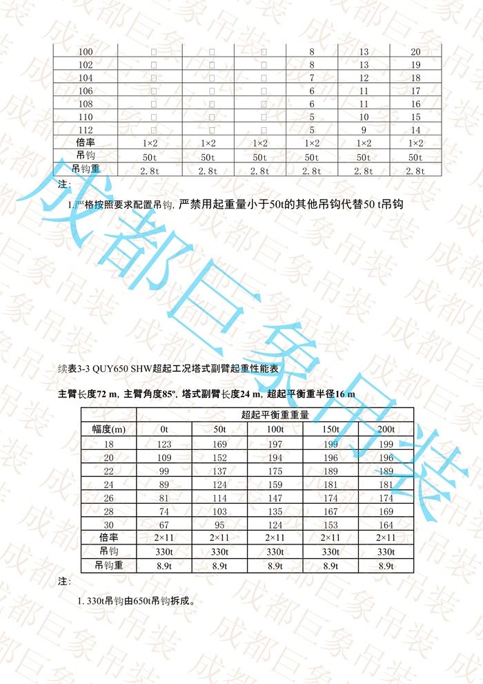
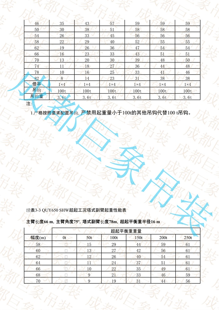
您的位置:首頁>新聞動態>QUY650起重性能表-超起工況塔式副臂 351-400頁
上一篇:QUY650起重性能表-超起工況塔式副臂 301-350頁
下一篇:QUY650起重性能表-超起工況塔式副臂 401-450頁
滬天化煤化工項目全體工作人員贈成都巨象公司技術精湛,服務一流錦旗。20年專注起重機吊裝工程|一站式解決專業吊裝方案。
中鐵一局城軌公司贈成都巨象吊裝公司質量上乘,服務一流錦旗。20年專注起重機吊裝工程|一站式解決專業吊裝方案
湖南客戶贈成都巨象吊裝公司合作愉快,友誼長存錦旗。20年專注起重機吊裝工程|一站式解決專業吊裝方案
巨象首頁巨象相冊巨象產品工程案例設備展示客戶見證走進巨象聯系巨象 網站地圖舊版官網
吊裝熱線:028-84133055
向先生:13908014054
郵箱:934448142@qq.com
公司地址:四川省成都市龍泉驛區經開區車城東6路379號
版權所有:成都巨象設備吊裝工程有限公司
備案號:蜀ICP備19021422號
技術支持:權度網絡
關注巨象吊裝